
Компания «Специальная Строительная Техника» из Перми разработала и развернула серийное производство дистанционно управляемого робота среднего класса «Атлант 4000». Роботы среднего класса способны осуществлять задачи более серьезные, чем могут выполнять малые роботы. Благодаря своей компактности средние роботы способны проходить в небольшие проемы и передвигаться в небольших помещениях и тоннелях.
Навесное гидравлическое оборудование
Демонтажный робот компании «Специальная Строительная Техника» рассчитан на использование широкого набора гидравлического навесного оборудования, подходящего по параметрам для гидросистемы робота. Двигатель мощностью 30 кВт и надежная гидросистема позволяют реализовать долговременную работу оборудования на всех допустимых режимах.
В случаях, когда в процессе выполнения задач требуется быстро сменить ковш на рыхлитель, гидромолот на ковш или поменять в обратном порядке, можно использовать гидравлические быстросъемы (квик-каплеры).
Установка гидроразводки позволяет значительно увеличить набор подключаемого гидрооборудования и использовать на машине необходимое навесное оборудование: гидромолоты, грейферные захваты, ковши, гидробуры, виброрыхлители, вибротрамбовки, фрезы, гидропилы и пр.

В зависимости от того, какое навесное оборудование будет установлено, устанавливается гидроразводка следующих видов:
- Стандартная (одноходовая). Подходит для установки гидромолота, ковша, виброрыхлителя, вибропогружателя, роторной фрезы, вибротрамбовки и др.
- Универсальная (двуходовая). Подходит для установки оборудования двустороннего действия: шнекового бура, сортировочного или дробильного ковша и др.
При наличии разнообразного навесного оборудования разных производителей, имеющих индивидуальные размеры монтажной плиты и из-за этого не подходящие для навески на стрелу, можно использовать адаптеры (переходники) и применять оборудование подходящее по параметрам к гидросистеме: гидромолоты, бетоноломы, вибротрамбовки, гидроножницы, ковши, виброрыхлители, грейферные захваты, гидропилы и пр.
Список навесного оборудования для расширения сферы применения робота:
Оборудование для разрушения, копания, фрезерования и бурения.
- Удлинитель стрелы (если радиус действия машины является недостаточным);
- Гидромолот;
- Ковш;
- Гидроножницы;
- Гидравлические ножницы для резки металла;
- Бетонолом (гидравлические клещи);
- Мультипроцессор;
- Гидро-крашер;
- Грейферный захват;
- Роторная фреза;
- Дисковая пила по бетону;
- Виброплита;
- Дорожная фреза;
- Гидробур;
Оборудование для переработки
- Ковш-сепаратор с функцией вращения;
- Ковш-сортировщик с функцией дробления;
Применение робота в разных отраслях и возможные виды работ:
Применяя навесное гидравлическое оборудование робот способен выполнять работы различного класса сложности в следующих областях:
Цементная промышленность Работы по очистке печи и замене огнеупоров. К работе можно приступать не дожидаясь полного охлаждения печи. Размеры и вес робота позволяют применять его в условиях ограниченного пространства внутри печи. Благодаря дистанционному управлению рабочим не нужно находиться в высокотемпературной зоне, а всеми процессами можно управлять находясь на безопасном расстоянии от объекта работ. Также можно выполнять чистку циклонов, клинкерных холодильников и другие работы.
Металлургическая промышленность Работы по замене огнеупоров и ломка футеровки доменных и электродуговых печей. Работы связанные с ремонтом плавильной печи и работы по удалению шлака. Благодаря дистанционному управлению рабочим не нужно находиться в высокотемпературной зоне, зоне шума и выбросов, а всеми процессами можно управлять находясь на безопасном расстоянии от объекта работ.
Горнодобывающая промышленность Работы в ограниченных пространствах с грунтом и породой. Выемка грунта с помощью ковша, разбор завалов. Подготовительные работы с помощью гидромолота: вскрышные работы, выравнивание ступеней, путей и площадок, оборка сводов, забоя и краев. Первичное дробление пород гидромолотом: избирательное дробление породы, забойная добыча без применения взрывчатых веществ, гидропушек и т. д.Вторичное дробление пород гидромолотом: дробление породы на участке работ, дробление крупных фрагментов добываемых шпород, блокирующих систему измельчения. Бурение взрывных, водоотводных и других специальных скважин при помощи навесной бурильной установки.
Спасательные работы Спасательные работы в зонах техногенных и природных катастроф. Разбор завалов из обломков строений, работы в зонах затопления и подтопления. Снос аварийных сооружений, демонтажные работы в зонах с химическим, токсическим поражением. Разминирование. Благодаря дистанционному управлению рабочим не нужно находиться в опасной зоне, а всеми процессами можно управлять находясь на безопасном расстоянии от объекта работ.
Работы в атомной промышленности Работы в ограниченных пространствах с грунтом и бетоном в условиях радиационных излучений. Возможно использование дополнительного контрольно-измерительного оборудования. Выемка грунта с помощью ковша, разбор завалов. Выборка профилированных каналов в грунте и бетоне с помощью фрезы в тоннелях и помещениях. Работы по демонтажу опорных стенок, снос металлоконструкций и прочие работы. Благодаря дистанционному управлению рабочим не нужно находиться в опасной зоне, а всеми процессами можно управлять находясь на безопасном расстоянии от объекта работ.
Подземное строительство Работы по проходке стволов шахт, демонтаж упорных стенок и пробивка отверстий в ТПК, разборка горных пород. Проходка коротких выработок. Проходка тоннелей метро и микротоннелей. Проходка штольни, штреков, квершлагов. Выработка сбоек между тоннелями. Доработка породы под тюбингами. Разработка забоя с помощью фрезы. Земляные работы ковшом, рытье траншей, выемка грунта, разравнивание грунта, дробление и просеивание грунта, засыпка и уплотнение траншей, вывоз земляных масс и сыпучих материалов. Укладка тюбингов специальным захватом. Благодаря дистанционному управлению всеми процессами можно управлять находясь на безопасном расстоянии от объекта работ. Оператор может легко передвигаться и выбирать наилучшую позицию, находясь в безопасной зоне. На оператора не воздействует вибрация.
Строительство Работы по разрушению лестничных пролетов, межэтажных перекрытий, пандусов, расширение дверных проемов. Понижение этажности зданий, высотный демонтаж объектов, разрушение в опасных зонах и опасных ветхих объектов. Перепланировка зданий, реконструкция и снос объектов, железобетонных перекрытий. Разрушение железобетонных конструкций, демонтаж бетонной стяжки пола с любой степенью армирования. Демонтаж фундаментов, устройство котлованов, разрушение или подрубка под размер свай при подготовке фундаментов. Выборка профилированных каналов в грунте и бетоне с помощью фрезы. Демонтаж сооружений из металлоконструкций, в том числе разрушение каркасов и коммуникаций. Демонтаж зданий из кирпичных, кирпично-монолитных или панельных конструкций.



Преимущества демонтажного робота:
- Широкий спектр навесного гидравлического оборудования. Можно использовать специализированное гидравлическое оборудование для выполнения необходимого перечня работ.
- Длительная работа навесного оборудования. Надежная конструкция рассчитана на длительную работу с навесным гидрооборудованием.
- Дистанционное управление с помощью пульта, что позволяет полностью исключить риск нанесения вреда жизни и здоровью оператора. Управление осуществляется по кабелю или по радиоканалу в радиусе до 200 метров.
- Экологичность и безопасность. Электродвигатель и гидросистема не выделяет при своей работе вредных веществ. Робот можно использовать внутри помещений. Нет риска возгорания топлива.
- Легкость и компактность. Небольшой вес и габариты позволяют использовать робота на ограниченном пространстве и на перекрытиях помещений, где есть ограничения по нагрузке на пол.
- Прост в обслуживании. Робот прост в наладке и подключении, также просто производится навеска и замена гидравлического оборудования. Дополнительно для помощи в применении, в компании «Специальная Строительная Техника» сформирован штат квалифицированных специалистов для возможных выездов непосредственно на объект и удаленных консультаций по применению роботов.




Защищенность при проведении работ
Все внутренние узлы робота размещены внутри стального защитного каркаса, который принимает на себя внешние удары и предохраняет внутренние узлы от разрушения. Доступ внутрь осуществляется с помощью открытия капотов, для которых не требуется ключей.
Каркасная конструкция корпуса образует «капсулу безопасности» и способна выдержать очень серьезные обвалы. Такая защита идеальна в случае:
- выбивки футеровки и обмазки вращающихся обжиговых печей цементного, металлургического и целлюлозно-бумажного производства;
- проходки тоннелей при подземном строительстве;
- сносе сильно поврежденных зданий (после пожаров, землетрясений и т. п.)
Трехсекционная стрела
Конструкция трехсекционной стрелы позволяют оператору устанавливать гидромолот под прямым углом к любой поверхности. Такой угол обеспечивает максимальную эффективность работы гидромолота и максимальную прижимную силу. Также конструкция стрелы обеспечивает возможность работы с максимальным раскрытием секций. По горизонтали максимальная дистанция работы — 6,0 метров, вверх — 6,5 метров, вниз 4,0 метра. Робот со стрелой поворачивается на 360 градусов вокруг своей оси.


Схема рабочих радиусов работы стрелы

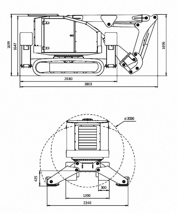
Технические характеристики и габаритные размеры
Робот «Атлант 4000» имеет компактные размеры для своего класса и может проходить в прямоугольный проем шириной 1,3 метра и высотой 1,7 метра или в круглый туннель диаметром 2,1 метра.

Характеристики
- Мощность электродвигателя — 30 кВт
- Вес машины без навесного оборудования — 4100 кг
- Вращение — 20 сек/360°
- Транспортная скорость — 3 км/ч
- Макс. угол наклона — 23°
- Объем гидросистемы — 130 л
- Тип насоса — аксиально-поршневой
- Давление гидросистемы — 20 МПа
- Гидропоток — 105 л/мин
- Портативный пульт дистанционного управления
- Сигнальный код — Цифровой
- Передача — Кабель/Радио
- Радиус действия — 200 м
Транспортировка
Робот может быть перемещен любым видом грузового транспорта: автомобильным, железнодорожным, морским, речным, воздушным. Его габариты в сложенном состоянии: длина — 3 м 90 см, ширина — 2 м 24 см, высота — 1 м 70 см. Масса 4,1 тонны.
Экспортный потенциал машины
Благодаря своей конструкции «Атлант 4000» может применять широкий спектр навесного оборудования российских и иностранных производителей. Возможность применять любое доступное гидравлическое оборудование соответствующее классу машины вместе с высокой надежностью, простотой и низкой стоимостью обслуживания делает российского робота конкурентным для применения на строительных площадках, на промышленных предприятиях и в зонах чрезвычайных ситуаций в любых районах земного шара. По сравнению с роботами иностранных производителей, технические характеристики робота позволяют выполнять больший объем работ и перемещаться там, где другие роботы не смогут этого сделать либо потребуется время для их переоснащения и снижения массы.
Компания «Специальная Строительная Техника» продолжает традиции российской конструкторской школы создавая надежные и универсальные машины способные работать в любых климатических условиях.
Видео:
Использованы дополнительные фото и текстовые материалы сайтов: robotatlant.ru/ http://www.robotatlant.com/ cct-drill.ru/ http://www.recongroup.ru/ demorobot.ru/ http://www.prodemolition.ru/ atlas-co.ru/catalog/product/gidromolot-sb-302.html



Ваш комментарий будет первым