
Российские биологи и физики создали уникальные наночастицы, позволяющие печатать трехмерные структуры произвольной формы и любых размеров в один присест с помощью обычного инфракрасного лазера. Инструкции по сборке 3D-принтера на их основе опубликованы в журнале Scientific Reports.
«Эту идею можно применять в биомедицинских целях, в частности, в тканевой инженерии, замещая поврежденные части органов и тканей с помощью различных полимерных материалов. Мы ожидаем, что наша технология позволит создавать конструкции нужных размеров и свойств внутри живых тканей для замещения повреждений», — заявил Кирилл Хайдуков из ФНИЦ «Кристаллография и фотоника» РАН, чьи слова приводит пресс-служба РНФ.
За последние годы ученые и инженеры создали десятки новых типов 3D-принтеров, способных печатать практически любыми материалами, начиная от классической пластмассы и заканчивая живыми клетками и расплавами металлов. Эти технологии стали весьма популярны благодаря универсальности, дешевизне и гибкости, однако они все же не лишены недостатков, которые пока мешают их распространению.
К примеру, большинство таких 3D-принтеров страдает от двух взаимосвязанных проблем — невысокой разрешающей способности и неспешной работы. И то и другое связано с тем, что подобные установки печатают трехмерные конструкции послойно, нанося новые слои пластика на заготовку. В большинстве же случаев гораздо проще и быстрее выточить нужную деталь из цельного куска пластика или металла, чем ждать, пока его распечатает принтер.
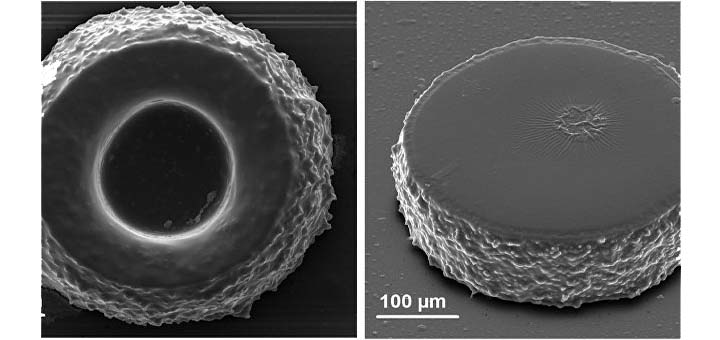
Хайдуков и его коллеги решили эту проблему и разработали первый действительно полноценный трехмерный принтер. Для этого они создали особые наночастицы, способные преобразовывать импульсы инфракрасного излучения в пучки ультрафиолета.
Как связаны между собой наночастицы, 3D-печать и ультрафиолет? Дело в том, что многие полимеры, которые используются и в подобных принтерах, и в промышленности, получают, обстреливая пучками ультрафиолета смесь из мономеров и специальных веществ, усиливающих действие света. УФ-лучи расщепляют часть заготовок полимера и заставляют их объединяться в цепочки.
Проблема заключается в том, что ультрафиолет проникает в такую смесь неглубоко, и это не позволяет использовать реакцию фотополимеризации для производства объемных конструкций больших размеров. По этой причине, к примеру, стоматологи вынуждены наносить пломбы послойно, обрабатывая светом каждую порцию полимерного материала отдельно.
Российским ученым удалось решить эту проблему при помощи наночастиц из натрия, тулия, иттербия и фтора, которые позволяют равномерно распределить ультрафиолет по всей толще создаваемой трехмерной конструкции. В качестве источника энергии используется инфракрасное излучение.
Как объясняют физики, смесь из жидких заготовок полимерных материалов будет практически полностью прозрачной для ИК-лучей, в отличие от видимого света или ультрафиолета, поэтому они будут «просвечивать» всю их толщу и примерно одинаково взаимодействовать с наночастицами во внутренних и внешних слоях будущей 3D-структуры.
По словам Хайдукова и его коллег, их детище совместимо с уже существующими полимерными материалами, что позволяет использовать подобные 3D-принтеры на практике прямо сейчас. Как они надеются, эта идея найдет применение в трехмерном лазерном рисовании, микрообработке материалов, в голографии, а также в электронике и системах обработки данных.



Ваш комментарий будет первым