
Химики из Новосибирского государственного университета и Института неорганической химии СО РАН разработали твёрдый раствор кобальта и иридия — новое соединение, которое может служить катализатором в различных топливных элементах. Полученное соединение более устойчиво, чем современные используемые катализаторы. О разработке рассказывает сотрудник лаборатории синтеза и физико-химических исследований новых композитных катализаторов НГУ Евгений Филатов.
Евгений Филатов входит в состав лаборатории химии редких платиновых металлов Института неорганической химии СО РАН. Специалисты из ИНХ СО РАН и НГУ на протяжении пятнадцати лет занимаются изучением химии двойных комплексных солей благородных и неблагородных металлов.
— Мы исследуем процесс разложения химических соединений под воздействием температуры (термолиза) для того, чтобы разработать методику синтеза сплавных частиц и их применение в каталитических реакциях, — рассказывает Евгений Филатов.
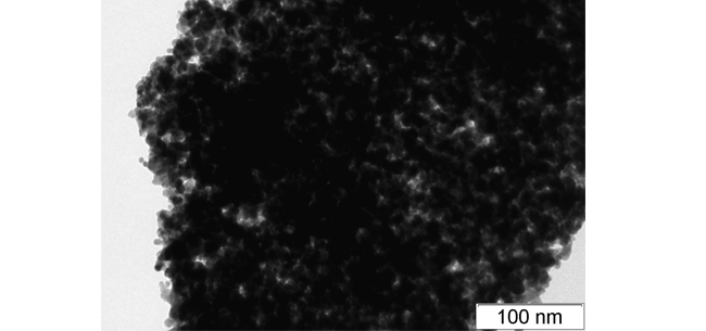
Один из вариантов таких соединений — наноразмерные твёрдые растворы металлов кобальта и иридия. Эти растворы могут использоваться в каталитических реакциях топливного элемента.

Самая важная часть топливного элемента с твёрдополимерным электролитом — это мембрана, на которую нанесён катализатор. С одной стороны мембраны подается топливо (водород, метанол, муравьиная кислота и т. д.), с другой — воздух. На аноде происходит реакция окисления подаваемого топлива, и через мембрану переносится положительный заряд. На катоде идёт реакция восстановления кислорода с образованием воды. Равный по величине ток отрицательно заряженных частиц (электронов) идет через внешнюю цепь, совершая полезную работу (например, включение лампочки или зарядка телефона). Топливные элементы характеризуются высоким КПД (от 50%) и возможностью неограниченного по времени использования при непрерывной подаче топлива и окислителя. Однако для протекания электрохимических реакций на электродах необходим катализатор
Широкое распространение в качестве катализатора получила платина. Но в процессе использования она либо укрупняется, либо растворяется и уходит из реакционной среды. Стоимость электродов, содержащих платину, составляет больше 70% стоимости самого топливного элемента.
— Иридий в среднем в два раза дешевле платины. За счёт добавления в раствор неблагородного металла кобальта стоимость катализатора ещё больше снижается. Помимо этого, проявляется синергический эффект — эффективность катализатора возрастает в результате слияния отдельных частей в единую систему. Кобальт-иридиевый сплав работает так же, как платина, и мы имеем ту же эффективность, но при низкой стоимости и более продолжительном сроке службы, — поясняет Филатов.
По словам учёного, обычно получение массивного твёрдого раствора металлов происходит следующим образом: металлическая стружка гомогенизируются до однородной массы с помощью высоких температур, затем снова измельчается, и операция повторяется необходимое число раз до завершения взаимной диффузии атомов металлов. Но этот метод занимает много времени, и в ИНХ СО РАН используют термолиз двойной комплексной соли металлов, что позволяет ускорить процесс с месяцев до нескольких часов и при этом получить наноразмерные сплавные частицы.
Доклад о разработке нового катализатора был представлен Евгением Филатовым на 15-й Европейской конференции по порошковой дифракции EPDIC15.
Дмитрий Пасечник
http://www.nsu.ru



Ваш комментарий будет первым